Acoplamientos de Embrague AL..KMSD2 de Formsprag
Este es un tipo de acoplamiento de rampa y rodillo, autónomo, sellado y soportado por rodamientos. En este caso, el embrague estándar se conecta a un acoplamiento flexible KMS para montaje en línea. El modelo KMS es un acoplamiento robusto, económico y apto para múltiples aplicaciones. Esto se utiliza para encerrar la unidad.

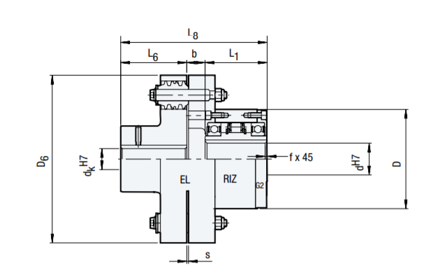
Dimensiones del Acoplamiento de Embrague Flexible
Overrunning-Indexing-Backstopping-Clutches
HVH Industrial Solutions es un distribuidor autorizado de Formsprag.
Trabajamos en estrecha colaboración con el equipo de ingeniería de Formsprag para brindar un servicio al cliente y soporte de ingeniería superior.
Si tiene alguna pregunta escríbanos a través del chat en vivo (uno de los miembros de nuestro equipo responderá a sus preguntas), llámenos o envíenos una solicitud de cotización. El equipo de HVH siempre está listo para ayudarle.
o
Requesting ... File size should not exceed 20 MB.
Acoplamientos de Embrague AL..KMSD2 de Formsprag
Este es un tipo de acoplamiento de rampa y rodillo, autónomo, sellado y soportado por rodamientos. En este caso, el embrague estándar se conecta a un acoplamiento flexible KMS para montaje en línea. El modelo KMS es un acoplamiento robusto, económico y apto para múltiples aplicaciones. Esto se utiliza para encerrar la unidad.

Dimensiones del Acoplamiento de Embrague Flexible
Overrunning-Indexing-Backstopping-Clutches
HVH Industrial Solutions es un distribuidor autorizado de Formsprag.
Trabajamos en estrecha colaboración con el equipo de ingeniería de Formsprag para brindar un servicio al cliente y soporte de ingeniería superior.
Si tiene alguna pregunta escríbanos a través del chat en vivo (uno de los miembros de nuestro equipo responderá a sus preguntas), llámenos o envíenos una solicitud de cotización. El equipo de HVH siempre está listo para ayudarle.