Rodamientos de Alta Temperatura WINKEL 4.053 HT - 4,063 HT
Los rodamientos de tipo 4.053 HT – 4.063 HT están hechos para aplicaciones de alta temperatura de hasta 250 0C. Están fabricados con tolerancia C3, grasa de alta temperatura y sellado Viton.
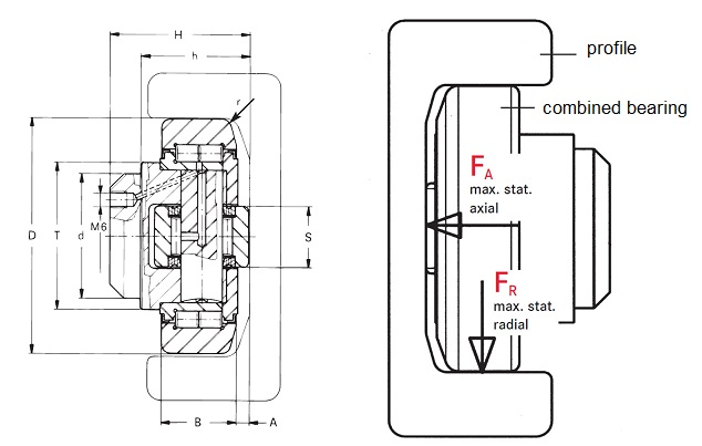
Los rodamientos HP pueden soportar altas cargas radiales y axiales al mismo tiempo, proporcionando una vida útil más larga para rodamientos y perfiles.
Relubricación de Rodamientos
- Los rodamientos WINKEL son rodillos cilíndricos de complemento completo, que están lubricados de por vida para un turno y funcionamiento inestable.
- Para las aplicaciones como en almacenes y salas de máquinas, será suficiente una ligera conservación de la superficie con aceite en aerosol comercial y, además, una relubricación regular cada 6 meses.
- En caso de condiciones ambientales especiales como polvo, suciedad, humedad, operaciones al aire libre y temperaturas superiores a 40 grados, cambios frecuentes de carga (operación continua), los cojinetes deben lubricarse al menos una vez al mes.

Detalles Técnicos
- Los rodamientos del 4.054 al 4.063 son relubricables
- La resistencia de los rodamientos es de -20 0C a +800C
- La temperatura ambiental es de hasta +250 0C
- La tolerancia del perno es de 0,05 mm.
- Los anillos exteriores son de acero templado UNI 16 CrNi 4
- Los anillos interiores son de acero En 31-SAE 52100
- Los rodillos cilíndricos tienen cabezas esmeriladas planas hechas de acero En 31-SAE 52100 endurecido a 59 – 64 HRC
Ventajas de Rodamientos
- Los componentes de los rodamientos son fácilmente intercambiables
- Montaje económico por soldadura y perfiles
- Perfiles fuertes para altas estadísticas y cargas dinámicas
- Reduce los costos de diseño y producción.
- Mejor dispersión de fuerzas en los perfiles
HVH Industrial Solutions es un distribuidor autorizado de Winkel.
Trabajamos en estrecha colaboración con el equipo de ingeniería de Winkel para ofrecer un servicio al cliente y un soporte de ingeniería superiores.
Si tiene alguna pregunta, escríbanos a través del chat en vivo (uno de los miembros de nuestro equipo responderá a sus preguntas), llámenos o envíenos una solicitud de cotización. El equipo de HVH siempre está listo para ayudarle.
o
Requesting ... File size should not exceed 20 MB.
Rodamientos de Alta Temperatura WINKEL 4.053 HT - 4,063 HT
Los rodamientos de tipo 4.053 HT – 4.063 HT están hechos para aplicaciones de alta temperatura de hasta 250 0C. Están fabricados con tolerancia C3, grasa de alta temperatura y sellado Viton.
Los rodamientos HP pueden soportar altas cargas radiales y axiales al mismo tiempo, proporcionando una vida útil más larga para rodamientos y perfiles.
Relubricación de Rodamientos
- Los rodamientos WINKEL son rodillos cilíndricos de complemento completo, que están lubricados de por vida para un turno y funcionamiento inestable.
- Para las aplicaciones como en almacenes y salas de máquinas, será suficiente una ligera conservación de la superficie con aceite en aerosol comercial y, además, una relubricación regular cada 6 meses.
- En caso de condiciones ambientales especiales como polvo, suciedad, humedad, operaciones al aire libre y temperaturas superiores a 40 grados, cambios frecuentes de carga (operación continua), los cojinetes deben lubricarse al menos una vez al mes.

Detalles Técnicos
- Los rodamientos del 4.054 al 4.063 son relubricables
- La resistencia de los rodamientos es de -20 0C a +800C
- La temperatura ambiental es de hasta +250 0C
- La tolerancia del perno es de 0,05 mm.
- Los anillos exteriores son de acero templado UNI 16 CrNi 4
- Los anillos interiores son de acero En 31-SAE 52100
- Los rodillos cilíndricos tienen cabezas esmeriladas planas hechas de acero En 31-SAE 52100 endurecido a 59 – 64 HRC
Ventajas de Rodamientos
- Los componentes de los rodamientos son fácilmente intercambiables
- Montaje económico por soldadura y perfiles
- Perfiles fuertes para altas estadísticas y cargas dinámicas
- Reduce los costos de diseño y producción.
- Mejor dispersión de fuerzas en los perfiles
HVH Industrial Solutions es un distribuidor autorizado de Winkel.
Trabajamos en estrecha colaboración con el equipo de ingeniería de Winkel para ofrecer un servicio al cliente y un soporte de ingeniería superiores.
Si tiene alguna pregunta, escríbanos a través del chat en vivo (uno de los miembros de nuestro equipo responderá a sus preguntas), llámenos o envíenos una solicitud de cotización. El equipo de HVH siempre está listo para ayudarle.