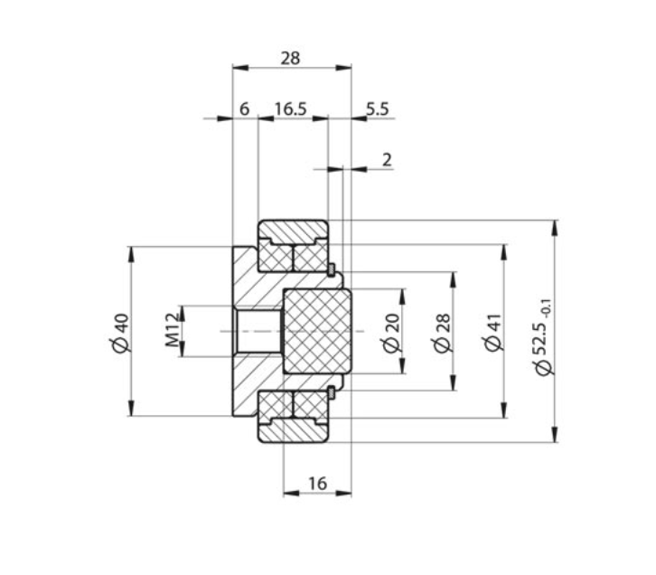
WINKEL Rodamientos de Bolas de Fricción de Acero Inoxidable 4.053 INOX
Los rodamientos de bolas de fricción de acero inoxidable de la serie 4.053 INOX están fabricados con OILAMID. No es necesario volver a lubricar los rodamientos gracias a OILAMID (poliamida autolubricada de alta resistencia), que proporciona una lubricación de por vida.
Están fabricados con un material único de protección contra la corrosión conocido como revestimiento de Duralloy. Duralloy es una capa metálica de cromo extremadamente dura, fina y ultrapura. Este material proporciona estabilidad de forma y dureza a cualquier componente de fabricación.
Relubricación de Rodamientos
Los rodamientos WINKEL se complementan totalmente con rodillos cilíndricos lubricados de por vida para un turno y funcionamiento intermitente.
Una ligera conservación superficial con aceite comercial en spray será suficiente para aplicaciones en almacenes y salas de máquinas y una relubricación regular cada seis meses.
En condiciones ambientales especiales como polvo, suciedad, humedad, operaciones al aire libre y temperaturas superiores a 40 grados, cambios frecuentes de carga (funcionamiento continuo), los rodamientos deben lubricarse al menos una vez al mes.

Detalles Técnicos
- Los rodillos cilíndricos tienen cabezas planas rectificadas de acero En 31-SAE 52100 templado a 59 - 64 HRC.
- Anillos exteriores de acero cementado UNI 16 CrNi 4
- Los anillos interiores son de acero En 31-SAE 52100
- Los rodamientos de 4.054 a 4.063 son reengrasables.
- Temperatura ambiente hasta +250 0C
- La resistencia de los rodamientos es de -20 0C a +800C
Ventajas de los Rodamientos
- Mejor dispersión de fuerzas en los perfiles
- Montaje económico mediante soldadura y perfiles
- Los componentes de los rodamientos son fácilmente intercambiables
- Perfiles resistentes para altas cargas estáticas y dinámicas
- Reduce los costes de diseño y producción
- Mayor vida útil de rodamientos y perfiles
- Pueden soportar elevadas cargas radiales y axiales
HVH Industrial Solutions es un distribuidor autorizado de Winkel.
Trabajamos en estrecha colaboración con el equipo de ingeniería de Winkel para ofrecer un servicio al cliente y un soporte de ingeniería superiores.
Si tiene alguna pregunta, escríbanos a través del chat en vivo (uno de los miembros de nuestro equipo responderá a sus preguntas), llámenos o envíenos una solicitud de cotización. El equipo de HVH siempre está listo para ayudarle.
o
Requesting ... File size should not exceed 20 MB.
WINKEL Rodamientos de Bolas de Fricción de Acero Inoxidable 4.053 INOX
Los rodamientos de bolas de fricción de acero inoxidable de la serie 4.053 INOX están fabricados con OILAMID. No es necesario volver a lubricar los rodamientos gracias a OILAMID (poliamida autolubricada de alta resistencia), que proporciona una lubricación de por vida.
Están fabricados con un material único de protección contra la corrosión conocido como revestimiento de Duralloy. Duralloy es una capa metálica de cromo extremadamente dura, fina y ultrapura. Este material proporciona estabilidad de forma y dureza a cualquier componente de fabricación.
Relubricación de Rodamientos
Los rodamientos WINKEL se complementan totalmente con rodillos cilíndricos lubricados de por vida para un turno y funcionamiento intermitente.
Una ligera conservación superficial con aceite comercial en spray será suficiente para aplicaciones en almacenes y salas de máquinas y una relubricación regular cada seis meses.
En condiciones ambientales especiales como polvo, suciedad, humedad, operaciones al aire libre y temperaturas superiores a 40 grados, cambios frecuentes de carga (funcionamiento continuo), los rodamientos deben lubricarse al menos una vez al mes.

Detalles Técnicos
- Los rodillos cilíndricos tienen cabezas planas rectificadas de acero En 31-SAE 52100 templado a 59 - 64 HRC.
- Anillos exteriores de acero cementado UNI 16 CrNi 4
- Los anillos interiores son de acero En 31-SAE 52100
- Los rodamientos de 4.054 a 4.063 son reengrasables.
- Temperatura ambiente hasta +250 0C
- La resistencia de los rodamientos es de -20 0C a +800C
Ventajas de los Rodamientos
- Mejor dispersión de fuerzas en los perfiles
- Montaje económico mediante soldadura y perfiles
- Los componentes de los rodamientos son fácilmente intercambiables
- Perfiles resistentes para altas cargas estáticas y dinámicas
- Reduce los costes de diseño y producción
- Mayor vida útil de rodamientos y perfiles
- Pueden soportar elevadas cargas radiales y axiales
HVH Industrial Solutions es un distribuidor autorizado de Winkel.
Trabajamos en estrecha colaboración con el equipo de ingeniería de Winkel para ofrecer un servicio al cliente y un soporte de ingeniería superiores.
Si tiene alguna pregunta, escríbanos a través del chat en vivo (uno de los miembros de nuestro equipo responderá a sus preguntas), llámenos o envíenos una solicitud de cotización. El equipo de HVH siempre está listo para ayudarle.