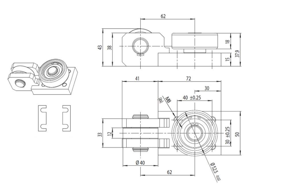
Rodamientos de Bolas de Acero Inoxidable I 525 APS WINKEL
La serie 525 APS de rodamientos de bolas de acero inoxidable son soluciones resistentes a la corrosión adecuadas para aplicaciones de alta velocidad. Están lubricados de por vida y pueden soportar elevadas cargas radiales y axiales.
Los rodamientos de bolas VULKOLLAN están fabricados con un material único de protección contra la corrosión denominado recubrimiento Duralloy. Duralloy es una capa metálica de cromo extremadamente dura, muy fina y ultrapura. Este material proporciona estabilidad de forma y dureza para cualquier componente de fabricación.
Relubricación de Rodamientos
Una ligera conservación de la superficie con aceite comercial en spray será suficiente para aplicaciones en almacenes y salas de máquinas y una relubricación regular cada seis meses.
Los rodamientos WINKEL se complementan totalmente con rodillos cilíndricos lubricados de por vida para un turno y funcionamiento inestable.
En condiciones ambientales especiales, como polvo, incursión de suciedad, humedad, operaciones al aire libre y temperaturas superiores a 40 grados, cambios frecuentes de carga (funcionamiento continuo), los rodamientos deben lubricarse al menos una vez al mes.

Datos Técnicos
- Los rodamientos de 4.054 a 4.063 son reengrasables
- Los anillos exteriores son de acero cementado UNI 16 CrNi 4
- Anillos interiores de acero En 31-SAE 52100
- Temperatura ambiente hasta +250 0C
- La resistencia de los rodamientos es de -20 0C a +800C
- Los rodillos cilíndricos tienen cabezas planas rectificadas de acero En 31-SAE 52100 endurecido a 59 - 64 HRC.
Ventajas de los Rodamientos
- Los componentes de los rodamientos son fácilmente intercambiables
- Pueden soportar elevadas cargas radiales y axiales
- Mejor dispersión de fuerzas en los perfiles
- Perfiles resistentes para las elevadas cargas estáticas y dinámicas
- Reduce los costes de diseño y producción
- Montaje económico mediante soldadura y perfiles
- Mayor vida útil de rodamientos y perfiles
HVH Industrial Solutions es un distribuidor autorizado de Winkel.
Trabajamos en estrecha colaboración con el equipo de ingeniería de Winkel para ofrecer un servicio al cliente y un soporte de ingeniería superiores.
Si tiene alguna pregunta, escríbanos a través del chat en vivo (uno de los miembros de nuestro equipo responderá a sus preguntas), llámenos o envíenos una solicitud de cotización. El equipo de HVH siempre está listo para ayudarle.
o
Requesting ... File size should not exceed 20 MB.
Rodamientos de Bolas de Acero Inoxidable I 525 APS WINKEL
La serie 525 APS de rodamientos de bolas de acero inoxidable son soluciones resistentes a la corrosión adecuadas para aplicaciones de alta velocidad. Están lubricados de por vida y pueden soportar elevadas cargas radiales y axiales.
Los rodamientos de bolas VULKOLLAN están fabricados con un material único de protección contra la corrosión denominado recubrimiento Duralloy. Duralloy es una capa metálica de cromo extremadamente dura, muy fina y ultrapura. Este material proporciona estabilidad de forma y dureza para cualquier componente de fabricación.
Relubricación de Rodamientos
Una ligera conservación de la superficie con aceite comercial en spray será suficiente para aplicaciones en almacenes y salas de máquinas y una relubricación regular cada seis meses.
Los rodamientos WINKEL se complementan totalmente con rodillos cilíndricos lubricados de por vida para un turno y funcionamiento inestable.
En condiciones ambientales especiales, como polvo, incursión de suciedad, humedad, operaciones al aire libre y temperaturas superiores a 40 grados, cambios frecuentes de carga (funcionamiento continuo), los rodamientos deben lubricarse al menos una vez al mes.

Datos Técnicos
- Los rodamientos de 4.054 a 4.063 son reengrasables
- Los anillos exteriores son de acero cementado UNI 16 CrNi 4
- Anillos interiores de acero En 31-SAE 52100
- Temperatura ambiente hasta +250 0C
- La resistencia de los rodamientos es de -20 0C a +800C
- Los rodillos cilíndricos tienen cabezas planas rectificadas de acero En 31-SAE 52100 endurecido a 59 - 64 HRC.
Ventajas de los Rodamientos
- Los componentes de los rodamientos son fácilmente intercambiables
- Pueden soportar elevadas cargas radiales y axiales
- Mejor dispersión de fuerzas en los perfiles
- Perfiles resistentes para las elevadas cargas estáticas y dinámicas
- Reduce los costes de diseño y producción
- Montaje económico mediante soldadura y perfiles
- Mayor vida útil de rodamientos y perfiles
HVH Industrial Solutions es un distribuidor autorizado de Winkel.
Trabajamos en estrecha colaboración con el equipo de ingeniería de Winkel para ofrecer un servicio al cliente y un soporte de ingeniería superiores.
Si tiene alguna pregunta, escríbanos a través del chat en vivo (uno de los miembros de nuestro equipo responderá a sus preguntas), llámenos o envíenos una solicitud de cotización. El equipo de HVH siempre está listo para ayudarle.