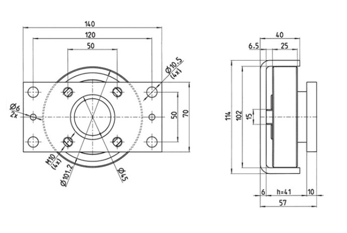
Rodamientos de Bolas VULKOLLAN WINKEL V 1012 AP
La serie V 1012 AP de Rodamientos de Bolas VULKOLLAN son dispositivos resistentes al desgaste diseñados para perfiles y placas de brida. Pueden funcionar con bajo nivel de ruido, lo que los hace adecuados para aplicaciones de alta dinámica.
Los Rodamientos de Bolas VULKOLLAN están fabricados con un material único de protección contra la corrosión llamado recubrimiento Duralloy. Duralloy es una capa metálica de cromo extremadamente dura, fina y ultrapura. Este material proporciona estabilidad de forma y dureza para cualquier componente de fabricación.
Relubricación de Rodamientos
Los rodamientos WINKEL se complementan totalmente con rodillos cilíndricos lubricados de por vida para un turno y funcionamiento inestable.
Una ligera conservación superficial con aceite comercial en spray será suficiente para aplicaciones como almacenes y salas de máquinas, y una relubricación regular cada seis meses.
En el caso de condiciones ambientales particulares como humedad, polvo, suciedad, operaciones al aire libre, temperaturas superiores a 40 grados y cambios frecuentes de carga (funcionamiento continuo), los rodamientos deben lubricarse al menos una vez al mes.
Datos Técnicos
- Los rodamientos de 4.054 a 4.063 son reengrasables
- La max. La velocidad de los rodamientos Winkel en la versión de acero es de 3m / s.
- Los anillos exteriores son de acero cementado UNI 16 CrNi 4
- Los anillos interiores son de acero En 31-SAE 52100
- La temperatura ambiente es de hasta +250 0C
- La resistencia de los rodamientos es de -20 0C a +800C
- Los rodillos cilíndricos tienen cabezas planas rectificadas de acero En 31-SAE 52100 endurecido a 59 - 64 HRC.
Ventajas de los Rodamientos
- Rodamientos resistentes al desgaste
- Velocidad de desplazamiento de hasta 16 pies/seg
- Baja fricción por rodamientos de bolas de precisión en la versión 2RS
- Marcha silenciosa gracias a los rodamientos recubiertos de VULKOLLAN
- Perfiles robustos para elevadas cargas estáticas y dinámicas
- Soporta elevadas cargas radiales y axiales
HVH Industrial Solutions es un distribuidor autorizado de Winkel.
Trabajamos en estrecha colaboración con el equipo de ingeniería de Winkel para ofrecer un servicio al cliente y un soporte de ingeniería superiores.
Si tiene alguna pregunta, escríbanos a través del chat en vivo (uno de los miembros de nuestro equipo responderá a sus preguntas), llámenos o envíenos una solicitud de cotización. El equipo de HVH siempre está listo para ayudarle.
o
Requesting ... File size should not exceed 20 MB.
Rodamientos de Bolas VULKOLLAN WINKEL V 1012 AP
La serie V 1012 AP de Rodamientos de Bolas VULKOLLAN son dispositivos resistentes al desgaste diseñados para perfiles y placas de brida. Pueden funcionar con bajo nivel de ruido, lo que los hace adecuados para aplicaciones de alta dinámica.
Los Rodamientos de Bolas VULKOLLAN están fabricados con un material único de protección contra la corrosión llamado recubrimiento Duralloy. Duralloy es una capa metálica de cromo extremadamente dura, fina y ultrapura. Este material proporciona estabilidad de forma y dureza para cualquier componente de fabricación.
Relubricación de Rodamientos
Los rodamientos WINKEL se complementan totalmente con rodillos cilíndricos lubricados de por vida para un turno y funcionamiento inestable.
Una ligera conservación superficial con aceite comercial en spray será suficiente para aplicaciones como almacenes y salas de máquinas, y una relubricación regular cada seis meses.
En el caso de condiciones ambientales particulares como humedad, polvo, suciedad, operaciones al aire libre, temperaturas superiores a 40 grados y cambios frecuentes de carga (funcionamiento continuo), los rodamientos deben lubricarse al menos una vez al mes.
Datos Técnicos
- Los rodamientos de 4.054 a 4.063 son reengrasables
- La max. La velocidad de los rodamientos Winkel en la versión de acero es de 3m / s.
- Los anillos exteriores son de acero cementado UNI 16 CrNi 4
- Los anillos interiores son de acero En 31-SAE 52100
- La temperatura ambiente es de hasta +250 0C
- La resistencia de los rodamientos es de -20 0C a +800C
- Los rodillos cilíndricos tienen cabezas planas rectificadas de acero En 31-SAE 52100 endurecido a 59 - 64 HRC.
Ventajas de los Rodamientos
- Rodamientos resistentes al desgaste
- Velocidad de desplazamiento de hasta 16 pies/seg
- Baja fricción por rodamientos de bolas de precisión en la versión 2RS
- Marcha silenciosa gracias a los rodamientos recubiertos de VULKOLLAN
- Perfiles robustos para elevadas cargas estáticas y dinámicas
- Soporta elevadas cargas radiales y axiales
HVH Industrial Solutions es un distribuidor autorizado de Winkel.
Trabajamos en estrecha colaboración con el equipo de ingeniería de Winkel para ofrecer un servicio al cliente y un soporte de ingeniería superiores.
Si tiene alguna pregunta, escríbanos a través del chat en vivo (uno de los miembros de nuestro equipo responderá a sus preguntas), llámenos o envíenos una solicitud de cotización. El equipo de HVH siempre está listo para ayudarle.
